Válvulas de insuflação TDA

BIR

Válvulas de insuflação metálicas ajustáveis.


Aplicação

Para insuflação de ar, em sistemas de ventilação e aquecimento.

 

Material

Aço

 

Cor

Branco RAL 9010

 


Composição

Válvula em aço estampado com cone interior ajustável, sendo a abertura de saída do ar unicamente numa direcção.

Possui botão rotativo para regulação na parte frontal.

Fornecida com junta de borracha para ligação a conduta

 

Montagem

Parede ou tecto, directamente em conduta circular.

Aro de montagem (opcional).

 

Descarregue aqui folheto PDF.

 

Clique na imagem para ver tamanho maior.

 


 

Type ØD [mm] ØN [mm]
BIR 100 98 145
BIR 125 122 168
BIR 160 158 203
BIR 200 195 243
 

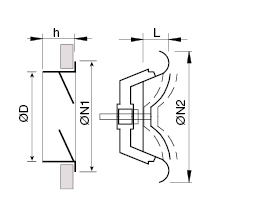
P-DVS

Válvulas de insuflação metálicas com cone ajustável e aro de montagem com 50 mm.


Aplicação

Para insuflação de ar, montada em parede ou tecto.

 

Material

Aço

 

Cor

Branco RAL 9010

Composição

Válvula em aço estampado com cone interior ajustável.

Fornecida com aro de montagem em aço galvanizado.

 

Montagem

Aro de montagem.

 

Descarregue aqui folheto PDF.

Clique na imagem para ver tamanho maior.

 


 

Type ØD [mm] ØN1 [mm] h [mm] ØN2 [mm] L [mm]
P-DVS  080 79 105 45 115 27
P-DVS  100 99 125 45 137 28
P-DVS 125 124 150 45 164 29
P-DVS 150 149 175 45 202 30
P-DVS 160 159 185 45 212 31
P-DVS  200 199 225 45 248 33

SVA

Válvulas de insuflação metálicas com cone ajustável.


Aplicação

Para insuflação de ar, montada em parede ou tecto.

 

Material

Aço

 

Cor

Branco RAL 9010


Composição

Válvula em aço estampado com cone interior ajustável

Fornecida com aro de montagem em aço galvanizado.

 

Montagem

Aro de montagem.

 

Descarregue aqui folheto PDF.

Clique na imagem para ver tamanho maior.

 


 

Type ØD [mm] ØN [mm] L [mm]
SVA 100 100 135 45
SVA 125 125 160 45
 

Topo