Grelhas lineares de pavimento TDA

GLF

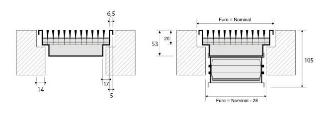
Grelha linear de pavimento.

GLF-0

Modelo com registo.


A grelha é fornecida com um aro que apoia directamente sobre o pavimento.

 

A grelha é facilmente removível para limpeza.

 

Deflexão a 0° ou 15°

 

Passo de 13,3 mm

Bastidor 6,5 mm

 

Construção

Perfis em alumínio extrudido e anodizado

Registo em perfis de alumínio bruto

 

Sistemas de fixação

Encastrada no pavimento, podendo ser fixa através do aro.

 

Acabamento

Alumínio anodizado.

Descarregue aqui folheto PDF.

Clique na imagem para ver tamanho maior.
Clique na imagem para ver tamanho maior.

Topo