Difusores esféricos TDA

JET

Difusor esférico para impulsão de ar em grandes alturas.
Possibilidade em todos os modelos e tamanhos de rotação esférica.

Acabamento standard em alumínio.


Aplicação

Os difusores esféricos são aplicados para insuflar ar quente ou frio, em instalações onde seja necessário um grande alcance e baixo nível de ruído.

 

Material

Alumínio

Aro de suporte em aço galvanizado.

Cor

Anodizado natural

Outras cores por pedido

 

Orientação

Pode ser direcionado manualmente num raio de 30º.

 

Montagem

Em parede ou conduta rectangular através de parafusos.

 

Descarregue aqui folheto PDF.

 

Clique na imagem para ver tamanho maior.
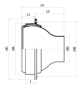
Type

ØC

[mm]

ØA

[mm]

L1

[mm]

L2

[mm]

L3

[mm]

ØD

[mm]

ØB

[mm]

f

[mm]

160 197 158 43 96 139 80 175 40
200 237 198 51 115 166 100 215 40
250 287 248 52 142 194 125 265 40
315 362 313 75 180 255 160 240 40
400 447 398 95 219 315 220 425 65
 

TLA

Difusor esférico para impulsão de ar em grandes alturas.


Aplicação

Os difusores esféricos TLA são aplicados para insuflar ar quente ou frio, em instalações onde seja necessário um grande alcance e baixo nível de ruído.

 

Específicos para aplicação em superfícies planas.

 

Material

Alumínio

Aro de suporte em aço galvanizado.

Cor

Cinza RAL 9006

Branco RAL 9010

 

Orientação

Pode ser direcionado manualmente num raio de 30º.

 

Montagem

Em parede ou conduta rectangular através de parafusos.

 

Acessórios

Possibilidade de regulação na boca de descarga.

Clique na imagem para ver tamanho maior.

 

 

Modelo Dimensões   Caudal conforto
A B C D E F G T m³/h
100 45 95 105 120 140 65 90 98 60
150 70 155 165 180 200 100 140 148 140
200 95 205 215 240 260 130 180 198 300
315 160 315 325 350 370 180 265 298 700
400 225 415 425 455 480 250 355 398 1200

LW NR30

TLA-T

Difusor esférico para impulsão de ar em grandes alturas.


Aplicação

Os difusores esféricos TLA-T são aplicados para insuflar ar quente ou frio, em instalações onde seja necessário um grande alcance e baixo nível de ruído.

 

Específicos para adaptação em condutas circulares.

 

Material

Alumínio

Aro de suporte em aço galvanizado.

Cor

Cinza RAL 9006

Branco RAL 9010

 

Orientação

Pode ser direcionado manualmente num raio de 30º.

 

Montagem

Em conduta circular.

 

Acessórios

Possibilidade de regulação na boca de descarga.

Clique na imagem para ver tamanho maior.

 

 

Modelo Dimensões   Caudal conforto
A B C D E F G T m³/h
100 45 95 105 120 140 65 90 98 60
150 70 155 165 180 200 100 140 148 140
200 95 205 215 240 260 130 180 198 300
315 160 315 325 350 370 180 265 298 700
400 225 415 425 455 480 250 355 398 1200

LW NR30

Topo