Grelhas porta filtros TDA

GPF

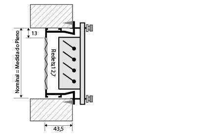
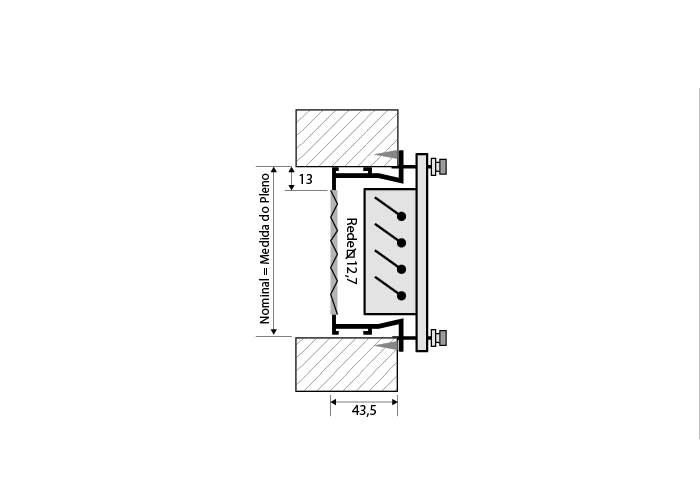
As grelhas GPF são grelhas do tipo FH, mas fornecidas com um aro de montagem e uma rede para incorporar o filtro (não fornecido).

Para facilitar a manutenção possuem na parte frontal 2 parafusos para remoção da grelha.


Passo: 20 mm

Bastidor: 27 mm

 

Construção

Perfis em alumínio extrudido

Aro de montagem em aço galvanizado

Rede em aço galvanizado

 

Sistemas de fixação

Aro de montagem

 

Acabamento

Alumínio bruto

Alumínio anodizado natural

Lacado Branco RAL 9110

 

Acabamento

Alumínio bruto

Alumínio anodizado natural

Lacado Branco RAL 911

 

Descarregue aqui folheto PDF.

Clique na imagem para ver tamanho maior.

 

 

Clique na imagem para ver tamanho maior.

Topo